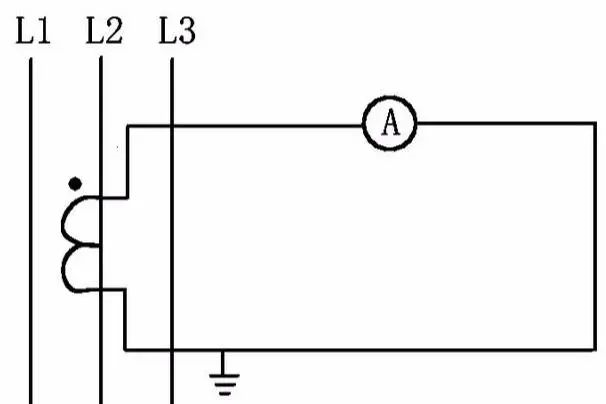
图A,一台互感器接线,主要用于测量对称三相电路中线路上的电流。

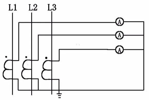
图B,三台互感器星形接线方法,可测量对称和不对称三相电路(包括三相四线)中线路上的电流。

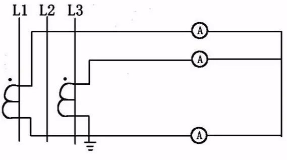
图C,两台互感器V形接线方法,测量对称和不对称三相三线电路中线路上的电流。三相电流矢量和为零,所以下面电流表测量的是未装互感器那相的电流。此接法也可用于继电保护接线,但灵敏度低。

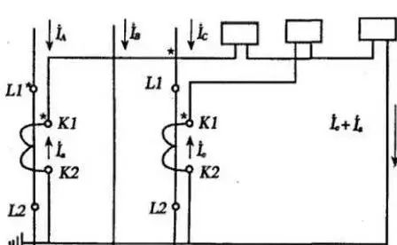
图D,两台互感器电流差接线法,用于线路、电机、并联电容器的继电保护接线,灵敏度较高。












(3*57.7V电能表+3*100V专变采集终端)
特殊说明
400V电流互感器不需要接地,只有10V及以上的电流互感器非极性端才须接地。在接线过程中强烈推荐采用分相接地的方式,而且电流回路与电压回路分开接地。
只能反映单相电流的情况,适用于需要测量一相电流或三相负荷平衡,测量一相就可知道三相的情况,大部分接用电流表。

三相电流互感器能够及时准确了解三相负荷的变化情况,多用在变压器差动保护接线中。只使用三相全面星形接线的可在中性点直接接地系统中用于电能表的电流采集。三相三继电器接线方式不仅能反应各种类型的相间短路,也能反应单相接地短路,所以这种接线方式用于中性点直接接地系统中作为相间短路保护和单相接地短路的保护。

在实际工作中用得较多。它节省了一台电流互感器,用A、C相的合成电流形成反相的B相电流。二相双继电器接线方式能反应相间短路,但不能全面反应单相接地短路,所以不能作单相接地保护。这种接线方式用于中性点不接地系统或经消弧线圈接地系统作相间短路保护。

也仅用于三相三线制电路中,中性点不接地,也无中性线,这种接线的优点是不但节省一块电流互感器,而且也可以用一块继电器反映三相电路中的各种相间短路故障,亦即用较少的继电器完成三相过电流保护,节省投资。当故障形式不同时,其灵敏度不同。这种接线方式常用于 10kV 及以下的配电网作相间短路保护。由于此种保护灵敏度低,现代已经很少用了。